帶通濾波器 COFDM 螺旋濾波器
BPF帶通濾波器 RF帶通腔體濾波器 COFDM螺旋濾波器頻率定制 vcan1884

帶通濾波器是一種允許特定頻段的波通過而阻止其他頻段的裝置.
帶通濾波器是指能夠通過一定頻率範圍內的頻率成分的濾波器, 但將其他範圍內的頻率分量衰減到非常低的水平, 與帶阻濾波器的概念相反.
目錄
特徵

規範
每個 螺旋過濾器 螺旋過濾器 (帶通濾波器) 根據需求定制, 並且不同工作頻段的大小不同.
| 項目 | 參數 |
| 頻率 | 830-870兆赫 |
| 插入損耗 | ≤1.2db |
| 回波損耗 | ≥16db |
| 出的帶外抑制 | ≥60dB使用@ 760MHz
≥60dB使用@ 940MHz |
| 連接器 | SMA-K |
| 重量 | 0.15公斤 |
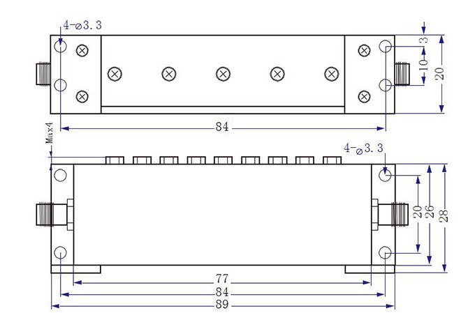
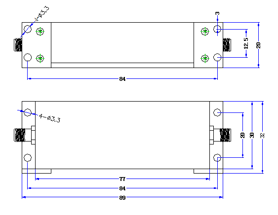
| 外形尺寸 | 89 * 32 * 20毫米 |


600-620兆赫帶通濾波器
| 頻率 | 600~620MHz |
| 插入損失 | ≤1.2db |
| 帶內波動 | ≤0.3分貝 |
| VSWR | ≤1.3 |
| 帶外抑制 | ≥40dB@f0±40MHz |
| 承受功率 | 20W¯¯ |
| 連接器 | SMA-K |
| 外形尺寸 | 89 X 32 X 20毫米 |
| 重量 | 90 克 |

806-826兆赫帶通濾波器
| 頻率 | 806〜826MHz |
| 插入損失 | ≤1.2db |
| 帶內波動 | ≤0.5分貝 |
| VSWR | ≤1.3 |
| 帶外抑制 | ≥40dB@DC~755MHz
≥40dB@875~2000MHz |
| 承受功率 | 20W¯¯ |
| 連接器 | SMA-K |
| 外形尺寸 | 89 X 32 X 20毫米 |
| 重量 | 90 克 |

857~863Mhz 帶通濾波器 (860兆赫中心)
| 頻率 | 857~863MHz |
| 插入損失 | ≤1.2db |
| 帶內波動 | ≤0.4分貝 |
| 駐波比 | ≤1.3 |
| 帶外抑制 | ≥40dB@FO±20MHz |
| 承受功率 | 100-瓦 |
| 連接器 | SMA-50K 或 N-50K 可選 |
| 外形尺寸 | 152 X 57 ×30毫米 |
| 重量 | 90 克 |
| 溫度 | -35〜+65°C |

428-438Mhz 433Mhz 帶通濾波器
| 頻率 | 428~838MHz (433兆赫+/-5兆赫) |
| 插入損失 | ≤2分貝 |
| 帶內波動 | ≤0.5分貝 |
| VSWR | ≤1.4 |
| 帶外抑制 | ≥40dB@405MHz
≥40dB@461MHz |
| 承受功率 | 20W¯¯ |
| 連接器 | SMA-50K |
| 外形尺寸 | 89 X 32 X 20毫米 |
| 重量 | 90 克 |

1427.9-1447.9兆赫帶通濾波器
| 頻率 | 1427.9〜1447.9MHz |
| 插入損失 | ≤1.0分貝 |
| 帶內波動 | ≤0.5分貝 |
| VSWR | ≤1.3 |
| 帶外抑制 | ≥40dB@DC~1360MHz
≥40dB@1570~2000MHz |
| 承受功率 | 20W¯¯ |
| 連接器 | SMA-K |
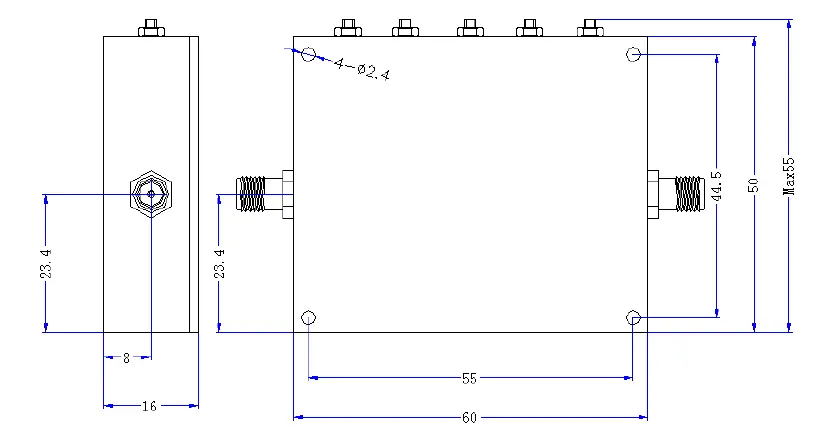
| 外形尺寸 | 60 X 50 X 16毫米 |
| 重量 | 70 克 |


|
606-614MHz 空腔濾波器測試記錄 |
|||||
| 樣本 |
插入損耗≤1.2db |
駐波比≤1.4 |
帶內波動≤0.6db |
帶外抑制≥40db@590MHz |
帶外抑制≥40db@630MHz |
| 1號 | 1.05 | 1.2 | 0.4 | 53 | 56 |
| 2號 | 1.01 | 1.2 | 0.4 | 51 | 52 |
|
428-438MHz 螺旋濾波器測試記錄 |
|||||
| 樣本 |
插入損耗≤1.3db |
回波損耗≥15db |
帶內波動≤0.6db |
帶外抑制≥40db@383MHz |
帶外抑制≥40db@483MHz |
| 1號 | 1.13 | 19 | 0.4 | 43 | 44 |
| 2號 | 1.05 | 20 | 0.4 | 44 | 45 |
常見問題

對於螺旋帶通濾波器 (BPF) 到圖中的藍線處, 帶通濾波器的長度需要從89mm增加到110mm以上, 並且插入損耗可能會增加約 1.
- 最小帶寬只能是3MHz左右.
- 2MHz的性能指標很差,不理想.
- 體積尺寸約為199*120*31mm.
- CNC加工非常複雜,成本較高. 價格為人民幣 1,600 元. (220美元)

訂購時您應該了解的提示
頻率範圍是多少?
插入損耗要求是多少?
壓制 820-851 兆赫,需要多少個DB
通帶為866-870Mhz.
下載
產品包括: 腔體濾波器_帶通濾波器_高通濾波器_低通濾波器_帶阻濾波器_陷波濾波器_LC濾波器_功分器_多頻合路器_腔體雙工器_同軸衰減器_同軸負載_定向耦合器_3dB電橋_環行器_隔離器.
其他產品有:腔體濾波器_帶通濾波器_高通濾波器_低通濾波器_帶阻濾波器_陷波器_LC濾波器_功分器_多頻合路器_腔體雙工器_同軸衰減器_同軸負載_定向耦合器_3dB電橋_環形器_隔離器.
提出一種基於COFDM的高速無線圖傳發射機,用於無人機航拍和無線視頻監控, 包含: 基帶編碼調製模塊, 用於接收輸入圖像數據流,並將其轉換為特定頻譜的基帶調製信號; 射頻模塊,用於將基帶調製信號上變頻至設定頻率; 其中, 基帶編碼調製模塊包括: 基帶成幀, 幀擾亂, BCH編碼, LDPC編碼, 比特交織, 星座測繪, 星座旋轉, 時間交織, 時間框架映射, 頻率交織, 導頻插入, IFFT變換, 保護間隔, 頻譜整形; 射頻模塊包括: 數模轉換器 (數模轉換器), 壓控振盪器 (壓控振盪器), 上變頻器 (調製器 ), 帶通濾波器 (BPF), 功率擴增 (公共廣播); 採用基於COFDM的高速無線圖傳發射機, 在無人機航拍等高速移動環境下可顯著提高視頻數據傳輸速率, 滿足高清、超高清圖像傳輸要求.


評測
沒有評分.