جدول المحتويات
نحن بحاجة إلى منتج يحتوي على SDI وPAL كمدخل ودفق Ethernet كمخرج, مع فك تشفير H.265.
1. يدعم Vcan1681 SDI وPAL.
https://ivcan.com/p/hdmi-to-ip-encoder-modulator-module-board-cvbs-hdmi/
2. لدينا برنامجان ثابتان لدعم التشفير وفك التشفير H265 وH264.
هل يدعم جهاز فك ترميز الفيديو الخاص بك HD-SDI? 1080ص أو 1080i.
1. ماكس يدعم 1080P.
2. مدخل HDMI يدعم 4K.
هل يمكن أن يكون جهاز التشفير الخاص بك متوافقًا مع أي جهاز فك ترميز h264/h265، على سبيل المثال؟. وحدة فك ترميز نفيديا جيتسون وما إلى ذلك
علينا أن نسأل المهندس, من فضلك قل لنا تفاصيل وحدة فك ترميز الفيديو إذا كان لديك.
لدينا أيضًا لوحة تشفير وفك تشفير الفيديو, إذا كنتما لنا, فلا توجد مشكلة.
بالنسبة للفيديو بدقة 4K أو 1080p، ما هو معدل بيانات الإيثرنت؟?
معدل البت للفيديو قابل للتكوين من قبل العميل (المستعمل).
سوف نستخدم لوحة تشفير الفيديو الخاصة بك مع مدخلين (اتش دي ام اي و بال) ومع التغذية 12V. هل الامور على ما يرام?
هل تقصد مدخل HDMI أو AV؟ (دعم نوعين من الفيديو), أو هل تحتاج إلى HDMI وAV لدعم مدخلين متزامنين?
س: نحن بحاجة إلى HDMI وAV لدعم مدخلين متزامنين.
ا: نعم. سيقوم مهندس البرامج الثابتة لدينا في بعض الأيام بإنشاء برنامج ثابت جديد لتلبية هذه الوظيفة التي تحتاجها. سأقوم بترقيته وأظهر لك فيديو الاختبار. https://youtu.be/izdFa1nw7u8
iVcan: الرجاء المساعدة في التأكد من إمكانية دعم HDMI وcvbs في نفس الوقت, ولكن لا يمكن اختيار الصوت إلا من أحدهما (يقوم النظام باختيار صوت HDMI/صوت تناظري وفقًا لحالة الوصول إلى الفيديو), هل هو موافق بالنسبة لك?
زبون: لا نحتاج الصوت, فافعل ما هو خير لك.
iVcan: قام مهندس البرمجيات لدينا بإنشاء برنامج لك. يرجى التحقق من الصور في المرفقات.
وهو الآن يدعم كاميرا HDMI وكاميرا CVBS.


زبون:
لقد اختبرت برنامج التشفير الخاص بك عدة مرات مع نظامنا. أنها تعمل بشكل جيد بشكل عام.
ولكن لدينا مشكلة واحدة كبيرة حتى نتمكن من التحقق من صحة استخدامه :
عندما نقوم بتشغيل كاميرا النظام وجهاز التشفير في نفس الوقت، لا نتمكن من قراءة “التيار”, يمكننا أن نقرأ فقط “تيار فرعي”.
علينا أن “اعادة التشغيل” التشفير عبر واجهة الويب لجعله يعمل: بعد إعادة التشغيل يمكننا قراءة البث الرئيسي مباشرة.
لقد حاولنا مع كل من VLC وGStreamer.
ما الذي يمكننا أن نحاول جعل كلا التدفقين قابلين للقراءة عند بدء التشغيل؟ ?
iVcan:
في رأي مهندسينا, إنها إما مشكلة في التعرف على الكاميرا أو مشكلة في استخدام العميل.
أظن أن بطاقة اللوحة لم تتعرف على كاميرا HDMI الخاصة بالعميل.
وهذا من السهل التحقق منه (إذا لم تتمكن من الوصول إلى الدفق الفرعي, سيكون من الصعب التحقق).
قم بتسجيل الدخول إلى خادم الويب الخاص بلوحة التشفير ويمكنك رؤية حالة التعرف على الكاميرا على صفحة الفيديو.
iVcan:
ستعرض صفحة الفيديو حالة التعرف على كاميرا واحدة فقط. إذا كانت كاميرات HDMI وAV متصلة ويتم التعرف عليها في نفس الوقت, ستعرض صفحة الفيديو حالة التعرف على كاميرا HDMI (مثل 1080p60):
طالما أن كاميرا HDMI يمكنها التعرف عليها بشكل طبيعي, يمكن الوصول إلى التيار الرئيسي بشكل طبيعي.
إذا لم يتم التعرف على كاميرا HDMI بشكل طبيعي, يرجى التحقق من أسلاك HDMI والطاقة الموجودة على اللوحة مرة أخرى (لاحظ أن هذه دورة الطاقة, ليس إعادة تشغيل البرنامج على صفحة الويب)
بالإضافة الى, تستخدم اللوحة عنوان Mac عشوائيًا, لذلك سيتغير عنوان Mac في كل مرة نقوم بإعادة تشغيله.
للأجهزة التي تحتوي على ذاكرة تخزين مؤقت لـ ARP (مثل جهاز الكمبيوتر), بعد إعادة التشغيل, سيكون مؤقتا (بضع ثوان) غير قادر على الوصول إلى المجلس من الشبكة. , لا يمكننا الوصول إليه حتى تتم إعادة بدء طلب arp بعد انتهاء المهلة (الأداء هو أنه لا يمكن اختبار اتصال لوحة التشفير لعدة ثوانٍ بعد إعادة التشغيل)
وبالتالي, أعتقد أن الاحتمال الآخر هو أنه عندما يصل العميل إلى التيار الرئيسي, لا يمكن الوصول إليه للأسباب المذكورة أعلاه. ثم عندما يصل العميل إلى الدفق الفرعي, يتم تحديث ذاكرة التخزين المؤقت arp ويمكن للعميل الوصول إليها, لكن العميل لا يقوم بإعادة زيارة التيار الرئيسي.
“عندما نقوم بتشغيل كاميرا النظام وجهاز التشفير في نفس الوقت, لا يمكننا قراءة "التيار الرئيسي", يمكننا فقط قراءة "الدفق الفرعي".“
iVcan:
انطلاقا من وصفك هنا, يبدو أن الكاميرا بدأت تشغيلها بعد لوحة التشفير الخاصة بنا. يرجى تشغيل الكاميرا أولاً, ثم قم بتشغيل لوحة التشفير الخاصة بنا وبدء تشغيلها لتجربتها. ربما لم يتم تشغيله في نفس الوقت. ترتيب التشغيل مهم أيضًا. فمثلا, احتياجات بدء تشغيل الكاميرا 10 ثواني, لكن بدء تشغيل لوحة التشفير لدينا يحتاج فقط 5 ثواني.
لأنني لست متأكدًا مما إذا كانت الكاميرا الخاصة بك بطيئة جدًا في التهيئة بعد التشغيل.
لأن لوحة التشفير لدينا تبدأ بسرعة كبيرة, ربما لم تتم تهيئة الكاميرا بعد تشغيل لوحة التشفير الخاصة بنا, مما قد يؤدي إلى بعض المشاكل غير المتوقعة. يمكن أن يفسر هذا أيضًا سبب "ضرورة "إعادة تشغيل" برنامج التشفير عبر واجهة الويب حتى يعمل: بعد إعادة التشغيل، يمكننا قراءة البث الرئيسي مباشرة., لأنه عندما تقوم صفحة الويب الخاصة بك بإعادة تشغيل لوحة التشفير, تمت تهيئة الكاميرا بالفعل.
وبالتالي, الاقتراحات النهائية هي كما يلي (لقد بذلت قصارى جهدي لإدراج كل ما يتبادر إلى ذهنك والسماح لك باختباره بشكل منفصل);
انظر إلى صفحة الفيديو الخاصة بخادم الويب وتأكد من التعرف على كاميرا HDMI بشكل طبيعي (يمكنك إرسال لقطة الشاشة لنا). طالما يتم التعرف على الكاميرا بشكل طبيعي, يمكن الوصول إلى التيار الرئيسي;
يوصى بإجراء اختبار اتصال لوحة الترميز تحت cmd أولاً, ثم قم بالوصول إلى mainStream وsubStream ضمن vlc لتجنب التفكير الخاطئ في أنه لا يمكن الوصول إلى Mainstream بسبب مشكلات عشوائية في نظام التشغيل Mac.
تتيح لك تشغيل الكاميرا أولاً (لبضع ثوان), ثم قم بتشغيل لوحة التشفير الخاصة بنا وابدأ تشغيلها للمحاولة (انظر الأسباب الموضحة أعلاه)
اتبع العملية الأصلية المتمثلة في "تشغيل كاميرا النظام وجهاز التشفير في نفس الوقت". عندما تكون المشكلة "نحن غير قادرين على قراءة" التيار الرئيسي ", يمكننا فقط قراءة "الدفق الفرعي". مستنسخة, لا تقم بإعادة تشغيل لوحة التشفير من خلال صفحة الويب, ولكن قم بتبديل كابل HDMI بين الكاميرا ولوحة التشفير. أعتقد أنها مجرد عملية مبادلة ساخنة (لأنني أظن أنها مشكلة في اكتشاف المكونات الإضافية تؤدي إلى عدم اتصال الكاميرا بلوحة التشفير. إرسال إشارة HDMI).
زبون:
يمكنني دائمًا قراءة الدفق الفرعي. التيار الرئيسي فقط بعد إعادة التشغيل.
iVcan:
ثم يمكن للوحة التشفير الخاصة بنا اكتشاف الكاميرا الخاصة بك.
يرجى إجراء اختبار.
تتيح لك تشغيل الكاميرا أولاً (لبضع ثوان), ثم قم بتشغيل لوحة التشفير الخاصة بنا وابدأ تشغيلها للمحاولة.
يشعر المهندس بالقلق بشأن احتياجات بدء تشغيل الكاميرا 10 ثواني, لكن بدء تشغيل لوحة التشفير لدينا يحتاج فقط 5 ثواني.
يرجى إجراء هذا الاختبار لاستبعاد إمكانية اختلاف أوقات بدء التشغيل.
iVcan:
عندما تقوم بالاختبار, فمن الأفضل ضبط الإعداد مرة أخرى (كلمات حمراء) أو انظر الصورة أدناه.
زبون:
يتم تشغيل لوحة التشفير والكاميرا في نفس الوقت بالضبط. من المحتمل أن يستغرق بدء تشغيل الكاميرا وقتًا أطول قليلاً من لوحة التشفير.
أؤكد أنه يبدو أنه لم يتم التعرف على الكاميرا عند بدء التشغيل “CVBS بال” يتم عرضه في الأعلى.
يمكنني اختبار اتصال اللوحة جيدًا قبل محاولة قراءة كلا التدفقين
عندما أبدأ تشغيل الكاميرا أولاً (لبضع ثوان), ثم تشغيل الطاقة (15 بعد ثوان) وابدأ لوحة الترميز, أستطيع قراءة الدفق على ما يرام.
اذا انا “قم بتشغيل كاميرا النظام وجهاز التشفير في نفس الوقت". ثم قم بتوصيل HDMI الساخن (15 بعد ثوان), أستطيع قراءة الدفق على ما يرام.
ما الذي يمكنني فعله حتى أتمكن من قراءة البث الرئيسي دون الحاجة إلى القيام بهذه الأشياء ? أرسل طلب إعادة تشغيل http باستخدام برنامجي, بضع ثوان بعد بدء التشغيل ?
iVcan:
حسنًا, وهذا يثبت صحة تخميني. لعملائنا الآخرين, يتم تشغيل الكاميرا ولوحة التشفير الخاصة بنا في نفس الوقت. يمكن للكاميرات التعرف على لوحة التشفير الخاصة بنا بشكل طبيعي وإرسال إشارات HDMI. واجه عدد قليل فقط من العملاء مثل هذه المشكلات باستخدام كاميرات HDMI المخصصة الخاصة بهم. يتم حل ما يلي من قبل العملاء أنفسهم (تعديل إعدادات الكاميرا/تغيير الكاميرات).
زبون:
هل لديك نسخة البرنامج الذي تقوم بتطويره لنا? سوف نقوم بالدقة في أمر الشراء الخاص بنا.
iVcan: إصدار البرنامج الثابت هو v6.5.5a لجهازك.
لدينا خلل في برنامج تشفير الفيديو, ماذا علي أن أفعل?
1. من الصورة التي أظهرتها, وجدنا أن المكثف والمحث الموجودين في الزاوية اليسرى السفلية قد تعرضا للتلف بسبب قوة خارجية. ربما تم التخلص منها أثناء التعبئة والنقل, وقامت شركتك بإيقافهم عن طريق الخطأ أثناء التشغيل.
تلك المميزة هي الأجهزة المفقودة, و هو:
1、C176:قبعة,10نف,+/-10%,X7R,1000V,سمد1206
2、C21:قبعة,22الجبهة المتحدة,+/-20%,X5R,6.3V,SMD0603
3、ص 34:فيسبوك,120ص @ 100 م,+/-25%,3ا,SMD0603 (الخرز المغناطيسي)
يرجى محاولة العثور على نفس الأجزاء, استبدلها ثم تحقق بعناية لمعرفة ما إذا كان هناك أي أجزاء مفقودة أخرى.
إذا كان لا يزال لديك أسئلة, الرجاء التواصل معنا.
زبون:
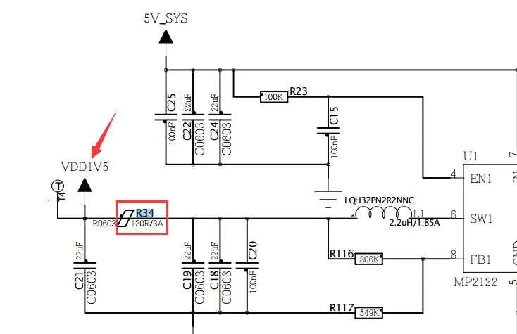
يتم استخدام هذا الجزء المعيب لتشغيل الدائرة?
iVcan:
1.5V امدادات الطاقة, تشغيل DDR, يرجى التحقق من الصورة أدناه.
زبون:
لقد استبدلنا المكونات وفقًا لنصيحتك, التشفير لا يعمل.
بالإضافة الى, لاحظنا مشاكل الجودة الأخرى مع اللحامات, العديد من التعديلات اليدوية.
كيف يمكننا المضي قدما في تبادل قياسي تحت الضمان?
iVcan:
لا تقلق بشأن هذا, يرجى إعادته إلينا, وسوف نقوم بتغيير واحدة جديدة بالنسبة لك.
هل HDMI الخاص بك + تدعم لوحة تشفير الفيديو CVBS ONVIF?
قال المهندس أن بروتوكول ONVIF غير مدعوم بشكل كامل. ذلك يعتمد على متطلباتك المحددة.
مشغل الفيديو يدعم RTSP, VLC, اللعب السهل, ويدعم البروتوكول مشغل UDP.
هل يمكنني استخدام تيار hdmi ودفق CVBS معًا?
لوحة ترميز الفيديو لدينا تدعم قناتين للفيديو في نفس الوقت, أحدهما هو دفق الفيديو HDMI وترميز دفق الفيديو CVBS.
هل لديك أي LVDS إلى لوحة التشفير IP?
لا الآن.
سؤال: ما هي خاصية الوقت التي يقوم بها مغير DVB-T الخاص بك (مرسل) يملك? يمكننا أن نرى ما يلي إذا نظرنا إلى معيار DVB-T ETSI EN 300 744.

ولكن ما هي الأوقات في وحدة DVB-T TX الخاصة بك?
نحن في حاجة إليها لأننا نفكر في التردد سريع التغير أثناء بث الفيديو, لذلك نحن بحاجة إلى فهم الأوقات الحقيقية لهذا الوضع. نحن نستخدم QPSK, كر = 1/2, جي = 1/32, عرض النطاق الترددي = 8 ميغاهيرتز.
إجابة: في المغير DVB-T لدينا, كلا وقت الرمز المرسل ووقت الحراسة متماثلان, مع 400 744 تخصيص
تحويل cvbs إلى IP, محول إشارة av إلى إيثرنت, SDI CVBS التشفير,
س: كم سيكون زمن الوصول إذا قمت بتوصيل كاميرتين (HDMI + CVBS)?
لدي كاميرتين, واحدة هي كاميرا HDMI, والثانية هي كاميرا CVBS. سأقوم بتحويل كل من تدفقات الفيديو إلى IP ethernet من خلال هذه اللوحة وسيكون الجانب الآخر من جهاز الاستقبال هو الكمبيوتر.
ا:
يجب أن يأخذ تأخير لوحة تشفير الفيديو في الاعتبار التشفير وفك التشفير. من المستحيل اختبار التأخير الدقيق من لوحة التشفير وحدها.
عادة, التأخير الناجم عن لوحة فك التشفير أكبر.
مع مشغلات البرامج المختلفة, الكمون يختلف بشكل كبير. فمثلا, باستخدام لدينا سبلاير التأخير حوالي 100 مللي ثانية, وباستخدام VLC يمكن أن يصل التأخير إلى 300 مللي ثانية.
من الصعب قياس تأخير كاميرا CVBS بدقة. من الصعب قياس التأخيرات التي تقل عن 100 مللي ثانية باستخدام ساعة توقيت. بالإضافة الى, ليس من السهل اختبار تأخير Vcan1681 نفسه. بدون لوحة فك التشفير, لا يمكنك حتى رؤية الصورة. ولا يمكن حسابه باستخدام ساعة الإيقاف, ولا توجد طريقة لقياسه باستخدام راسم الذبذبات.
بعد أن يشتري العميل لوحة التشفير, سيحتاج بالتأكيد إلى لاعب لفك التشفير. ومن الأفضل بعد ذلك أن تسأل العميل عن نوع المشغل الذي يعتزم استخدامه لفك التشفير (لنا, العميل الخاص, أو طرف ثالث), حتى نتمكن من معرفة ما إذا كانت لوحة الترميز يمكنها تلبية متطلبات العملاء بشكل أفضل (الوظيفة والأداء) أم لا.
كيفية اختبار الكمون لوحة التشفير الفيديو?
- وجهت الكاميرا نحو ساعة الإيقاف الموجودة على شاشة جهاز الكمبيوتر الخاص بي.
- يقوم كمبيوتر آخر بتشغيل الفيديو المرسل من لوحة التشفير الحالية ويعرض أيضًا ساعة الإيقاف على شاشة الكمبيوتر.
- تحتاج إلى تقليل مرتين, وهي التأخير من الكاميرا إلى الشاشة. (بما في ذلك تأخير الكاميرا والشاشة)
- يرجى التحقق من الصور أدناه






س: ما هو زمن الوصول إذا استخدمت لوحة التشفير ووحدة فك التشفير الخاصة بك?
ا: من الأفضل استخدام لوحة التشفير ووحدة فك التشفير الخاصة بنا. أسعار لوحة التشفير وفك التشفير هي نفسها. نتيجة اختبار الكمون أدناه هي للرجوع إليها فقط, لا يشمل تأخير الكاميرا.
- إدخال CVBS إلى لوحة التشفير الخاصة بنا—–لوحة فك التشفير الخاصة بنا مع مخرج HDMI, التأخير هو 60 ~ 90 مللي ثانية
- مدخل HDMI إلى لوحة التشفير الخاصة بنا—–لوحة فك التشفير الخاصة بنا مع مخرج HDMI, التأخير هو 90 ~ 130 مللي ثانية
- أدخل HDMI 720P لوحة التشفير الخاصة بنا——–لوحة فك التشفير الخاصة بنا مع مخرج HDMI, التأخير بين 80 ~ 100 مللي ثانية
- أدخل HDMI 1080P لوحة التشفير الخاصة بنا——–لوحة فك التشفير الخاصة بنا مع مخرج HDMI, التأخير بين 100 ~ 130 مللي ثانية
لخفض الكمون, يمكنك أيضًا استخدام أداة تشفير الفيديو ولوحة فك تشفير الفيديو. سيكون أفضل بكثير من تشغيل دفق الفيديو على جهاز الكمبيوتر الخاص بك عبر مشغل VLC.


س: أي لوحة فك تشفير الفيديو تدعم H264 H265 وزمن الوصول المنخفض للغاية?

تدعم لوحة فك التشفير الزرقاء على الجانب الأيسر فك التشفير H265 وH264 ولكنها لا تدعم فك التشفير منخفض زمن الوصول. (شرائح سامسون)
تدعم السبورة الموجودة على الجانب الأيمن فك تشفير H264 ولكنها تدعم فك تشفير H264 بزمن وصول منخفض. (هايسيليكون)
س: نحن نبحث عن نظام نقل فيديو fpv ذو تأخير منخفض للغاية.
نحن بحاجة إلى وحدة TX + كاميرا لطائرة بدون طيار fpv ووحدة RX مع إيثرنت (IP) انتاج. ماذا ستوصي?
ا: نوصي باستخدام Vcan1746 وVcan1777,
س: هل تحتوي كاميرا UVC UVC الخاصة بك على لوحة تشفير الفيديو RTSP على اتصال بسيط ومحول طاقة DC?
نعم فعلا, يمكننا إضافة محول طاقة 12V DC لك. Conneciton بسيط للغاية, 12V مدخلات الطاقة, إخراج Ethernet لشبكتك أو جهاز الكمبيوتر الخاص بك, تحتاج إدخال USB إلى توصيل كاميرا USB الخاصة بك.


لوحات وحدات التشفير
لوحات وحدات فك التشفير
متاح للتخصيص
منتجات التشفير الجديدة
| لا. | اسم المنتج | ترتيب | دلائل الميزات | الحالة |
|---|---|---|---|---|
| 1 | جهاز تشفير الفيديو بالضوء المرئي USB UVC ثنائي القناة | 2× مدخل يو اس بي | يدعم ترميز فيديو كاميرا USB المزدوجة, وتدفق RTSP; مخرج CVBS/HDMI المحلي; أوضاع العرض القابلة للتحويل | إنتاج متسلسل |
| 2 | التشفير ثنائي القناة (1× ضوء مرئي USB + 1× كاميرا تصوير حراري بمنفذ USB) | 2× مدخل يو اس بي | يدعم كاميرا USB مزدوجة (مرئي + الحرارية) يأسر, التشفير, وتدفق RTSP; مخرج CVBS/HDMI المحلي; أوضاع العرض القابلة للتحويل | إنتاج متسلسل |
| 3 | وحدة عرض HDMI/CVBS فك ترميز RTSP | HDMI + إخراج CVBS | يدعم ما يصل إلى 4 × 1080P @ 30fps فك تشفير دفق RTSP; دعم إعادة توجيه بروتوكول دفق الفيديو; عرض إخراج HDMI/CVBS | عينة متاحة |
| 4 | وحدة عرض HDMI/CVBS لفك ترميز RTSP مع 4.3"/5" LCD | إخراج HDMI + شاشة عرض من الكريستال السائل | يدعم ما يصل إلى 4 × 1080P @ 30fps فك تشفير دفق RTSP; إعادة توجيه البروتوكول; عرض إخراج HDMI/CVBS | تصحيح الأخطاء |
| 5 | التشفير ثنائي القناة (1× ضوء مرئي USB + 1× CVBS التناظرية) | 1× كفبس + 1× مدخل USB UVC | فيديو مزدوج (يو اس بي + CVBS), الترميز وتدفق RTSP; مخرج CVBS/HDMI المحلي; أوضاع العرض القابلة للتحويل | تصحيح الأخطاء |
| 6 | التشفير ثنائي القناة (1× يو إس بي يو في سي + 1× أتش دي تناظري) | 1× أهد + 1× مدخل USB UVC | التقاط الفيديو المزدوج (يو اس بي + AHD), الترميز وتدفق RTSP; مخرج CVBS/HDMI المحلي; أوضاع العرض القابلة للتحويل | تصحيح الأخطاء |
| 7 | التشفير ثنائي القناة (1× كفبس + 1× فيديو تناظري AHD) | CVBS + AHD 2 إدخال الفيديو | التقاط فيديو تناظري مزدوج, الترميز وتدفق RTSP; مخرج CVBS/HDMI المحلي; أوضاع العرض القابلة للتحويل | تصحيح الأخطاء |
| 8 | التشفير ثنائي القناة (1× كاميرا سيموس + 1× كاميرا تصوير حراري بمنفذ USB) | 1× واجهة يو اس بي | يدعم سيموس + التقاط الكاميرا الحرارية USB, الترميز وتدفق RTSP; مخرج CVBS/HDMI المحلي; أوضاع العرض القابلة للتحويل | إنتاج متسلسل |
لحلول تحويل إدخال/إخراج الفيديو المخصصة غير المدرجة في منتجاتنا, يرجى الاتصال بنا للحصول على دعم OEM/ODM. يمكننا تطوير منتجات مخصصة بناءً على متطلباتك.

طرح سؤال
شكرًا لردكم ✨