Оглавление
Полосовой спиральный фильтр. Настраиваемая частота для вашего проекта.
Полосовой спиральный фильтр SMA для 230 МГц от 220 МГц до 240 МГц
частота: 220~240 МГц
вносимые потери: ≤1,2 дБ
Обратные потери: >15 дБ
Внеполосное подавление: >90 дБ при 335~345 МГц
соединитель: SMA-K
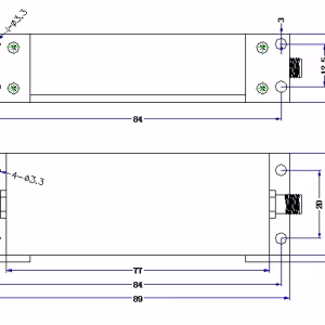
Габаритные размеры: 99×37×21 мм
Как показано на рисунке
Полосовой спиральный фильтр SMA для 250 МГц
В тестовой таблице выше, желтый представляет собой стоячую волну, синий представляет вносимые потери, розовый представляет вносимые потери от 2 в 1, а зеленый представляет собой стоячую волну от 2 в 1.
Полосовой спиральный фильтр SMA для 330 МГц


Полосовой спиральный фильтр SMA для 737 МГц от 734 до 741 МГц
Рабочая частота: 733~741 МГц
вносимые потери: ≤1,2 дБ
В полосе флуктуации: ≤0,5 дБ
Обратные потери: ≥15 дБ
Внеполосное подавление: ≥40 дБ при Fo±40 МГц
Мощность: ≤10Вт
соединитель: СМА КФД



Индивидуальная таблица частот
595-607.5-620Спиральный полосовой фильтр МГц






Отзывы
Там нет ни одного отзыва.